侧按免费观看全黄做爰的视频-带挡板固定
带灯开关,按键帽可定制镭雕图案字符等以及多种按键颜色,灯色多样化选择,单色,双色灯都可选择。

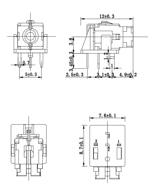
1.卧式侧按结构,能紧密与产品结合,轻量化小侧按开关按键;
2.按钮较小,操作手感极佳,具有良好的导电性和兼容性;
3.可采用编带包装,耐压,耐高温,如无盖帽按键采用防静电袋包装
4.多种颜色和盖帽可选,上盖可选择圆形或者方形;均可选用我司TS8和TS9系列盖帽


下一篇 : TS20-003AU1


