17x17MM欧美激情无码成人A片
PB34系列透明水晶质感发光按键,明晰的手感,多种颜色LED灯可选择,可定制不同图案,尺寸多样化选择,广泛应用于视频处理器,矩阵,广播控台,电信设备等领域

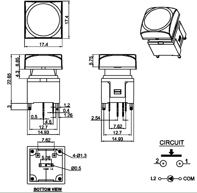
电流电压:100MA 12VDC
操作力度:250±100gf
开关行程:4.5±0.2mm
开关寿命:50000 Cycles
工作温度:-20℃~+70℃

1. 行程长,手感清脆明晰,
2. 按键帽尺寸:12*12MM,15*15MM ,17*17MM,
3. 功能:复位可选,
4. 可做单色LED灯:红、绿、蓝、黄、橙、白;双色:红绿、红蓝、绿蓝、红白、绿白;RGB(红绿蓝)三色,
5. 三种印字模式:
直接丝印在按键上(用久字体易抹掉);
菲林片印字,组装在透明盖与白色座之间(字体永久性不掉色,光度均匀透亮);
喷油镭雕字符透光,
6.上盖颜色:透明、红、绿、蓝、黄各种颜色以及喷油镭雕等。




