PB58系列自锁按键开关,手感清脆,有自锁和复位功能可选择,可配按键帽

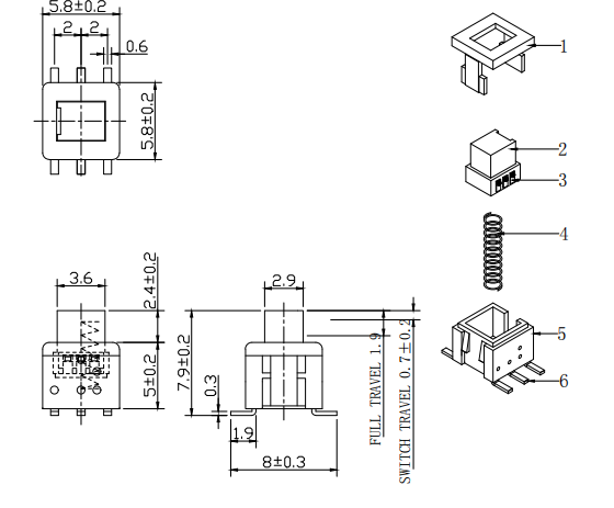
组成部分:按键,塑胶外壳,5.8x5.8mm自锁按键开关
产品名称:按键开关
额定电流电压:100mA 30VDC
绝缘强度:DC 500V for 1 minute
接触电阻:100mΩ
绝缘电阻:100mΩ
开关行程:2.5±0.5mm
操作力度:200±100gf
开关功能:ON-OFF OFF-(ON)
使用寿命: 200,000 Cycles Min
使用温度:-20℃~+70℃

1.有自锁和复位功能可选择
2.有5.8x5.8mm/7x7mm/8x8mm/8.5x8.5mm尺寸可选
3.可搭配按键帽使用
4.有贴片,插件和侧按键安装方式可选


上一篇: 5.8x5.8MM自锁按键开关
下一篇 : 5.8x5.8MM贴片自锁按键开关


