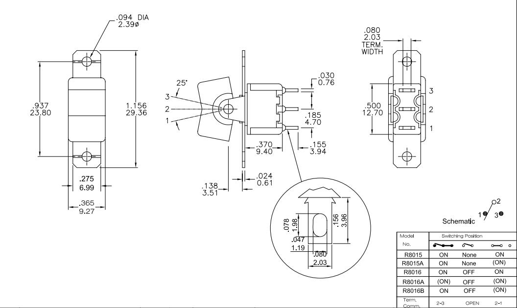
ON-OFF-ON小型钮子开关

摇头开关也叫钮子开关,有安装容易、体积小、操作方便、接触可靠等特点。开关主体胶料防火等级选用94V-0级,防水有IP67等级可供选择。产品设计有单路、双路、三路和四路,功能有ON-ON、(ON)-ON、ON-OFF-ON、(ON)-OFF-ON、(ON)-OFF-(ON)、ON-ON-ON等区分。



广泛地应用于数控机床、机械、电讯、船舶、冶金、化工等领域。扭子开关关用途的广泛离不开其几个重要的优点。
上一篇: ON-ON正弯脚钮子开关
下一篇 : ON-ON 6.35MM钮子开关


