AC电源中AC是交流电源的英语缩写。交流电也称“交变电流”,简称“交流”。是指电流方向随时间作周期性变化的为交流电,在一个周期内的运行平均值为零;一般AC都会标250V10A,标示允许通过最高250V电压、10A电流.在实际应用中电压和电流值都最好不要超过该值,以免发生火灾等危险.

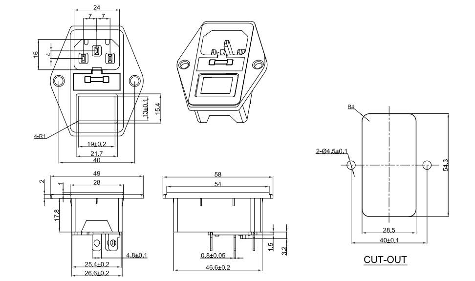
额定电流:6.3A 250V AC, 6.3A 250VAC
10A 250VAC
绝缘电阻:DC500V 100MΩ(min)
绝缘强度:2000V AC for 1 minute
保险丝:φ5.0x20MM
使用温度:-10℃~+75℃




