
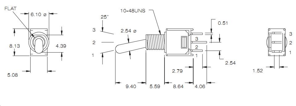
摇头开关也叫钮子开关,有安装容易、体积小、操作方便、接触可靠等特点。开关主体胶料防火等级选用94V-0级,防水有IP67等级可供选择。产品设计有单路、双路、三路和四路,功能有ON-ON、(ON)-ON、ON-OFF-ON、(ON)-OFF-ON、(ON)-OFF-(ON)、ON-ON-ON等区分。


上一篇: 6脚3档摇臂钮子开关侧弯脚
下一篇 : 钮子开关




