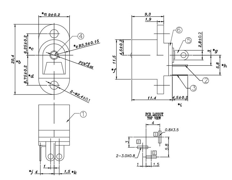
2.5mm DC 电源插座

DC电源插座是一种用于连接直流电源设备的插座,具有独特的结构和功能。它包含两个部分:插头和插座。插头是一个连接电器设备的电源连接器,由两个或更多的金属插针组成。插座是一个接收插头的设备,通过插头上的插针与其连接,从而提供了直流电源。
DC电源插座广泛应用于各种设备,如计算机、电话、相机、音频和视频设备。这些设备需要接收直流电源以驱动内部电路和芯片,并且需要一个可靠的电源接口来确保电源连接的牢固和安全。
DC电源插座具有许多优点。首先,它们可以提供高效和可靠的电源连接,确保设备的长期工作稳定性和可靠性。其次,DC电源插座可以提供高电压和高能量传输,满足设备对电源的高功耗需求。此外,它们还具有较小的体积、方便的安装和使用,以及易于维护和保养的优点。

额定值:DC20V 2.5A
接触电阻:≤50mΩ
绝缘电阻:≥100MΩ(DC 500VDC)
耐电压:500VAC
插拔力:3N~30N
使用寿命:5000次
使用温度:-20℃~+70℃




