
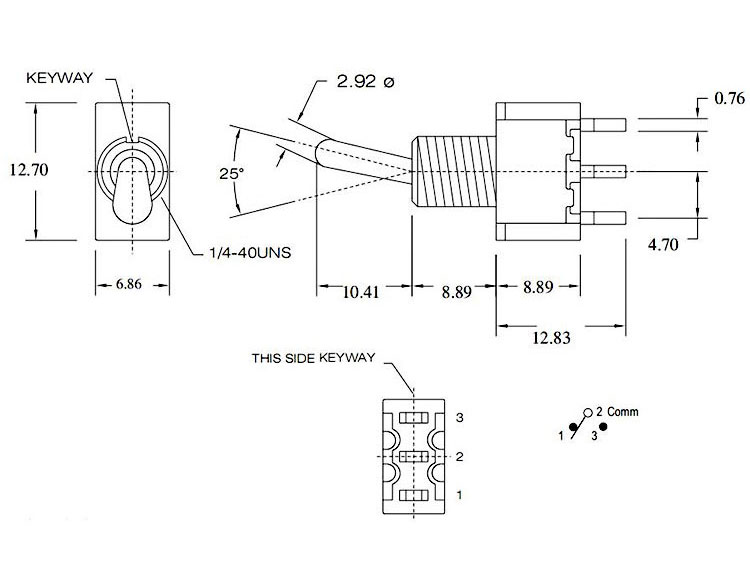
摇头开关也叫钮子开关,有安装容易、体积小、操作方便、接触可靠等特点。开关主体胶料防火等级选用94V-0级,防水有IP67等级可供选择。产品设计有单路、双路、三路和四路,功能有ON-ON、(ON)-ON、ON-OFF-ON、(ON)-OFF-ON、(ON)-OFF-(ON)、ON-ON-ON等区分。
小型钮子开关,是指大小相对较小的一种开关,通常使用在电子设备中的控制电路中。它的优势在于结构较为紧凑,方便安装和携带。
小型钮子开关由一个活动接触片和一个固定接触片组成。通过按下和释放开关来控制电路的开关状态。它的外壳通常是塑料或金属,可以防止触摸时意外触发开关。
小型钮子开关的使用范围很广泛,例如电脑键盘上的按键、摄像机的拍照按键、无线遥控器的按键等等。它还可以用于安全措施,例如汽车中的紧急停车按钮等等。


上一篇: ON-OFF 两档钮子开关
下一篇 : ON-OFF-ON迷你钮子开关


