15MM圆形欧美激情无码成人A片-镭雕电源符号
TS15系列圆形16MM透明水晶质感发光按键,明晰的手感,多种颜色LED灯可选择,可定制不同图案,尺寸多样化选择,广泛应用于视频处理器,矩阵,广播控台,电信设备等领域

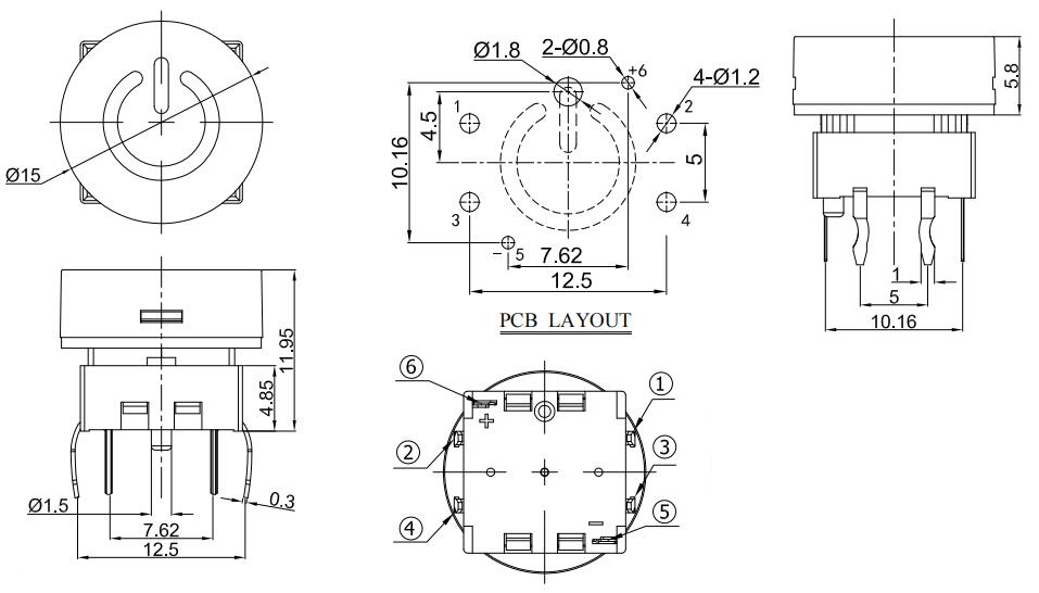
尺寸:15x12.7mm
电路:SPST
额定功率:12VDC ,50mA
接触电阻:100mΩ(max)
绝缘电阻:100MΩ(min)
绝缘强度:250VAC for 1 minute
操作力度:250±50gf
总行程:0.4±0.15mm
焊接温度:260℃ for 5 seconds
使用温度:+10℃ ~+ 60℃
寿命:500,000 cycles

1.凹面透明水晶质感按键,舒适的触摸手感以及清脆按压反馈声
2.多种灯色可选,单色灯,双色灯
3.有12mm,15mm,16mm多种按键帽尺寸可选
4.可根据客户需求定制各种按钮按键图案


上一篇: TS15-12W58WTW
下一篇 : TS15-13W82WTR


