迷你侧按免费观看全黄做爰的视频

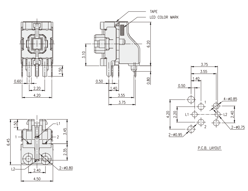
1.卧式侧按结构,能紧密与产品结合,轻量化小侧按开关按键;
2.按钮较小,操作手感极佳,具有良好的导电性和兼容性;
3.可采用编带包装,耐压,耐高温,如无盖帽按键采用防静电袋包装


上一篇: 迷你侧按免费观看全黄做爰的视频
迷你侧按免费观看全黄做爰的视频

1.卧式侧按结构,能紧密与产品结合,轻量化小侧按开关按键;
2.按钮较小,操作手感极佳,具有良好的导电性和兼容性;
3.可采用编带包装,耐压,耐高温,如无盖帽按键采用防静电袋包装

