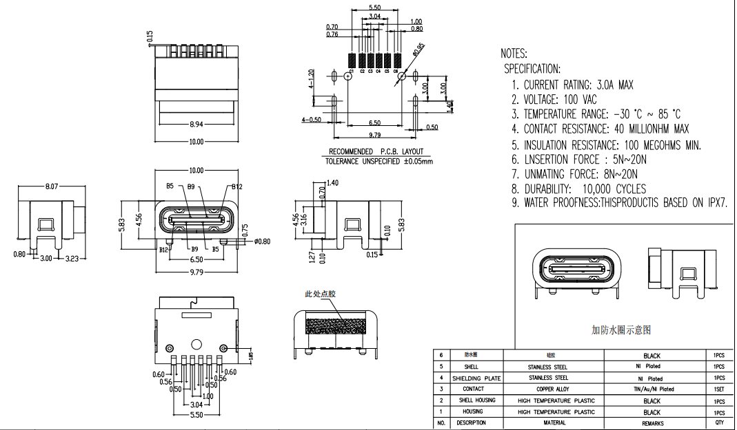
TYPE-C-6pin-贴板带钩防水(点胶款)

下一篇 : 防水USB TYPE-C
TYPE-C-6pin-贴板带钩防水(点胶款)
