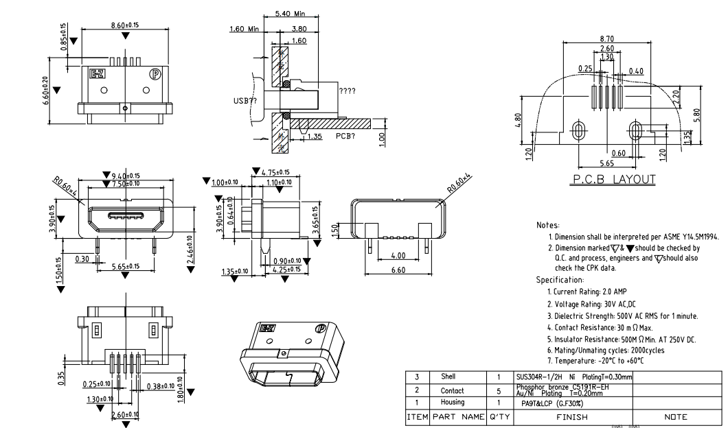
防水USB TYPE-C

下一篇 : USB TYPE-C带防水圈
防水USB TYPE-C
